咨询电话:152-6984-9458
PRODUCTS


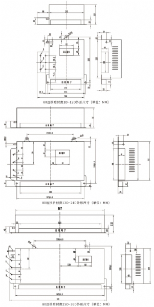
注:单三混合出线的电能表等同于三相户数乘以3后加上单相户数所得数对应的单相型号的对应尺寸;如XY-80-4S+11D:对应4×3+11=23D对应XY-80-13D~24D区间尺寸(字母D代表单相,字母S代表三相)。

注:单三混合出线的电能表等同于三相户数乘以3后加上单相户数所得数对应的单相型号的对应尺寸;如XY-80-4S+11D:对应4×3+11=23D对应XY-80-13D~24D区间尺寸(字母D代表单相,字母S代表三相)。
版权所有:山东向阳电子科技有限公司 ICP备案号:鲁ICP备18035025号-1
![]()